주한미육군사령부, 일일정보보고

제주도만 선거반대 폭력 성공

G-2 Weekly Summary
1948-05-14 – 1948-05-21 · 보고일 1948-05-21 주한미육군사령부 HQ USAFIK
스캔 원본
100%
p.415
p.415
p.416
p.416
p.417
p.417
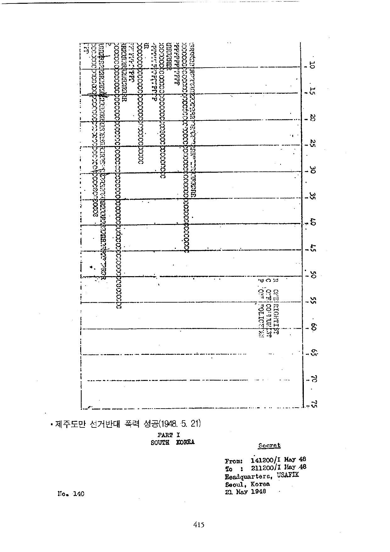
제주도만 선거반대 폭력 성공 1. 경비대 활동 제주도에서 경비대가 작전을 계속했다. 경비대는 5월 14일 HALLIM(934-1138)에서 폭도들의 공격을 격퇴시키는 경찰을 지원했다. 그 결과 폭도 5명을 사살했다. 경비대는 5월 16일 오등리와 오라리를 수색해 폭도 1명을 사살하고, 169명을 포로로 붙잡았다. 2. 선거반대 그룹 제주도를 제외하고는 5월 10일 선거를 반대하는 단체의 활동이 진정됐다. 향보단과 연계하여 경찰은 후보자나 선거관리위원, 유권자 등에 관계없이 어떤 형태로든지 이들의 선거참가를 저지시키기 위해 테러를 서슴지 않던 공산주의자들의 활동을 저지했다. 3. 민간인 소요 (1) 한국 내 지난 1주일 동안의 폭력 사례 제주도는 공산주의자들의 선거반대 폭력행위가 어느 정도 성공을 거둔 한국 내 유일한 지역이다. (중앙선거관리위원회는 제주도의 국회 의석 3석 가운데 2석을 투표율 과반수 미달로 공석으로 두기로 결정했다.) 다음은 지난 주 공산주의자들이 개입한 폭력 행위를 요약한 것이다. 서울 경기도 강원도 충청남도 충청북도 전라남도 전라북도 경상남도 경상북도 제주도 총계 마을 공격 3 3 경찰 공격 5 2 1 8 경찰 사망 1 2 3 폭도 사살 1 10 2 13 우익 사망 2 3 2 2 9 시위, 소요, 방화, 우익 공격 8 3 1 3 3 3 18 관공서 공격 사보타주(통신) 1 1 2 사보타주(철로) 사보타주(도로) 사보타주(다리) 1 1 사보타주(노동) 사보타주(학교) (2) 지난 주 <주간정보 요약>에 대한 추가보고 지난 주 <주간정보 요약>에 포함되지 않은 정보 가운데 5월 7일~5월 14일까지 1주일 동안 발생한 사건에 관한 추가보고 5월 7일~5월 14일까지 1주일 동안 발생한 사건 추가보고 서울 경기도 강원도 충청북도 충청남도 전라남도 전라북도 경상남도 경상북도 제주도 총계 마을 공격 1 1 55 57 경찰 공격 5 1 1 5 5 17 경찰 사망 1 1 4 1 3 3 13 폭도 사살 2 2 9 13 우익 사망 2 2 1 7 5 14 31 시위, 소요, 방화, 우익공격 2 2 관공서 공격 1 1 사보타주(통신) 사보타주(철로) 사보타주(도로) 사보타주(다리) 파업(노동계) 파업(학교) 1 1 투표소 공격 9 1 1 3 14
PART I SOUTH KOREA Secret From: 141200/I May 48 To : 211200/I May 48 Headquarters, USAFIK Seoul, Korea 21 May 1948 No. 140 The main body of the document appears to be a chart or table with data displayed horizontally, with numerical scale markings on the right side ranging from approximately 10 to 75 (in increments of 5). The content within the chart body is too degraded/illegible to accurately transcribe. At approximately line 50, there appear to be some partial text entries on the right side: [illegible] W O R D [illegible] [illegible] [illegible] The remaining chart content is [illegible] due to document degradation. A. ARMED FORCES 2. Operational Activity (Confidential) b. Constabulary Action on CHEJU DO Operations of the constabulary on CHEJU DO continue. On 14 May the constabulary assisted the police in repelling attacks on HALLIN (934-1138); five of the raiders were killed. On 16 May the constabulary investigated O DUNG RI (954-1146) and OSA RI (951-1149), killing one raider and taking 169 prisoners. B. CURRENT INTELLIGENCE 2. Anti-Election Groups Except on CHEJU DO (Part I, 2,b) the activities of Korean organizations which opposed the 10 May election have subsided. Police action, combined with community vigilance, has discouraged a protraction of the Communist campaign to terrorize South Koreans into abandoning participation in any phase of the election, whether as candidates, officials, or voters. 5. Civil Unrest a. A Week's Violence In South KOREA CHEJU-DO was the only place in South KOREA where communist anti-election violence not with any degree of success (apparently the National Election Committee has decided that two of CHEJU-DO's three seats in the new legislature remain unfilled because loss than half of the ballot boxes in the two districts were received). . A summary of acts of violence involving communists for the week is as follows: Attacks on towns [illegible] [illegible] [illegible] [illegible] [illegible] [illegible] [illegible] 3 3 Attacks on police 5 2 1 A Police killed 1 2 3 Communists killed 1 10 2 13 Rightists killed 2 3 2 2 9 Demonstrations, disorders, arson & attacks on rightists 8 3 1 3 3 5 18 Attacks on government buildings Sabotage (communications) 1 1 2 Sabotage (RR lines) Sabotage (roads) Sabotage (bridges) 1 1 Strikes (labor) Strikes (school) b. Delayed Reports Covering Last Week Delayed reports of incidents that occurred during the week ending 14 May which were not carried in last week's summary (see Part I, B, 3. c., W/S #139) are: Attacks on towns 1 1 55 57 Attacks on police 5 1 1 5 5 17 Police killed 1 1 4 1 3 3 13 Communist killed | | | 2 | 2 | 2· | 9: |13 Rightists killed | | 2 | | 2- | ·1 |·7 |5 |14 |31 Demonstrations, disorders, | | | | | | | |2 |2 arson & attacks on rightists | | | | | | | |5̃ | Attacks on | | | | | | | | | government buildings | | | | | | · |1 |1 Sabotage (communications) | | | | | | | | | Sabotage (RR lines) | | | | | | | | | Sabotage (roads) | | | | | | | | | Sabotage (bridges) | | | | | | | | | Strikes (labor ) | | | | | | | | | Strikes (school) | 1 · | | | | | | | |1 Attacks on | | | | | | | | | voting booths | | 9 |1 |1 | | |3 | |14
출처: 제주4·3사건진상규명및희생자명예회복위원회 편, 『제주4·3사건자료집 7』 [미국자료편], 번역문 p.177 / 원문 p.415–417 / No. 140.